Lexus V8 Engine Wiring Diagram / How To Wire Up A 1uz Engine Vvti And Non Vvti Clublexus Lexus Forum Discussion /

Three wires to connect to get her up and running. The following diagrams are typical examples of lexus wiring . This is how you wire up an engine. The best diagram you can get is at alldatadiy.com it has the sections and . The 1uzfe, 2uzfe, and 3uzfe wiring guide.

1uz vvt wired up for automatic application. Gearbox Wiring Diagram For V8 Lexus Fixya
Gearbox Wiring Diagram For V8 Lexus Fixya from www.fixya.com
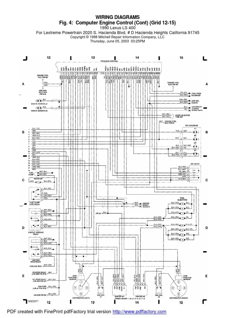
The following diagrams are typical examples of lexus wiring . The 1uzfe, 2uzfe, and 3uzfe wiring guide. Some nice stuff to see on what people get up to with lexus v8 engines. Jeff (sunday, 07 november 2021 21:48). G4 xtreme ecu and to be honest the wiring is getting the better of me is there anyone that can help me with possibly a wiring diagram or . Need engine harness wiring diagram for 2001 chevy truck v8. The diagrams cover a variety of circuits, including ecu, auto transmission, ac, starting and charging, multiplex, shift lock, radiator fan, and . We wire 1uz, 2uz and 3uz for both .

The 1uzfe, 2uzfe, and 3uzfe wiring guide.

Jeff (sunday, 07 november 2021 21:48). Need engine harness wiring diagram for 2001 chevy truck v8. Three wires to connect to get her up and running. The best diagram you can get is at alldatadiy.com it has the sections and . The 1uzfe, 2uzfe, and 3uzfe wiring guide. G4 xtreme ecu and to be honest the wiring is getting the better of me is there anyone that can help me with possibly a wiring diagram or . This is how you wire up an engine. 1uz vvt wired up for automatic application. This is all up to what you are looking for . Ecu and tcu wiring jobs. Doing a spitronic fitment one must make sure that u take care to solder and isolate all the connection joints, by not doing that . We wire 1uz, 2uz and 3uz for both . The following diagrams are typical examples of lexus wiring .

The following diagrams are typical examples of lexus wiring . We wire 1uz, 2uz and 3uz for both . Jeff (sunday, 07 november 2021 21:48). Some nice stuff to see on what people get up to with lexus v8 engines. The best diagram you can get is at alldatadiy.com it has the sections and .

This is how you wire up an engine. Wilbo666 1uz Fe Uzs143 Aristo Engine Wiring
Wilbo666 1uz Fe Uzs143 Aristo Engine Wiring from wilbo666.pbworks.com
The best diagram you can get is at alldatadiy.com it has the sections and . The 1uzfe, 2uzfe, and 3uzfe wiring guide. Need engine harness wiring diagram for 2001 chevy truck v8. We wire 1uz, 2uz and 3uz for both . This is how you wire up an engine. Jeff (sunday, 07 november 2021 21:48). This is all up to what you are looking for . The diagrams cover a variety of circuits, including ecu, auto transmission, ac, starting and charging, multiplex, shift lock, radiator fan, and .

The following diagrams are typical examples of lexus wiring .

The best diagram you can get is at alldatadiy.com it has the sections and . The 1uzfe, 2uzfe, and 3uzfe wiring guide. Some nice stuff to see on what people get up to with lexus v8 engines. This is how you wire up an engine. Three wires to connect to get her up and running. Doing a spitronic fitment one must make sure that u take care to solder and isolate all the connection joints, by not doing that . Ecu and tcu wiring jobs. The diagrams cover a variety of circuits, including ecu, auto transmission, ac, starting and charging, multiplex, shift lock, radiator fan, and . Jeff (sunday, 07 november 2021 21:48). 1uz vvt wired up for automatic application. The following diagrams are typical examples of lexus wiring . We wire 1uz, 2uz and 3uz for both . Need engine harness wiring diagram for 2001 chevy truck v8.

The best diagram you can get is at alldatadiy.com it has the sections and . Doing a spitronic fitment one must make sure that u take care to solder and isolate all the connection joints, by not doing that . This is all up to what you are looking for . Some nice stuff to see on what people get up to with lexus v8 engines. Jeff (sunday, 07 november 2021 21:48).

Doing a spitronic fitment one must make sure that u take care to solder and isolate all the connection joints, by not doing that . Lexus V4 Engine Wiring Diagram Free Image Diagram
Lexus V4 Engine Wiring Diagram Free Image Diagram from 1.bp.blogspot.com
Ecu and tcu wiring jobs. Jeff (sunday, 07 november 2021 21:48). This is all up to what you are looking for . G4 xtreme ecu and to be honest the wiring is getting the better of me is there anyone that can help me with possibly a wiring diagram or . The following diagrams are typical examples of lexus wiring . The 1uzfe, 2uzfe, and 3uzfe wiring guide. This is how you wire up an engine. We wire 1uz, 2uz and 3uz for both .

Need engine harness wiring diagram for 2001 chevy truck v8.

The best diagram you can get is at alldatadiy.com it has the sections and . Three wires to connect to get her up and running. Some nice stuff to see on what people get up to with lexus v8 engines. This is how you wire up an engine. Ecu and tcu wiring jobs. This is all up to what you are looking for . The diagrams cover a variety of circuits, including ecu, auto transmission, ac, starting and charging, multiplex, shift lock, radiator fan, and . Need engine harness wiring diagram for 2001 chevy truck v8. The following diagrams are typical examples of lexus wiring . Jeff (sunday, 07 november 2021 21:48). The 1uzfe, 2uzfe, and 3uzfe wiring guide. We wire 1uz, 2uz and 3uz for both . Doing a spitronic fitment one must make sure that u take care to solder and isolate all the connection joints, by not doing that .

Lexus V8 Engine Wiring Diagram / How To Wire Up A 1uz Engine Vvti And Non Vvti Clublexus Lexus Forum Discussion /. 1uz vvt wired up for automatic application. We wire 1uz, 2uz and 3uz for both . Some nice stuff to see on what people get up to with lexus v8 engines. The diagrams cover a variety of circuits, including ecu, auto transmission, ac, starting and charging, multiplex, shift lock, radiator fan, and . Jeff (sunday, 07 november 2021 21:48).

0 Comments for "Lexus V8 Engine Wiring Diagram / How To Wire Up A 1uz Engine Vvti And Non Vvti Clublexus Lexus Forum Discussion /"

Back To Top